
产品概述 电动机测控保护装置随着电动机行业发展,现代经济发展战略中对生产过程中不可缺少电动机的推动,但在生产过程也不可缺陷对电动机的监控保护。本装置采用宽温。 低功耗16位工业智能集成电路和自主产权、软件著作权生产,在电动机运行过程中进行各种信息采集、运算、分析、测控、保护、报警、监控、联锁、控制组成电动机部分占有 重要的地位。它的使用几乎渗透到了各领域各行业,是工业、农业、国防建设及人民生活中使用的三相电动机进行正常运行的有效安全保证。因此做好电动机的保护具有节能显著、 提高生产效率和经济效益及保证安全生产的重大意义。 新一代智能化除了要实现常规的低压电动机保护、监控、控制功能外,还具有计算电量、事故分析、电动机故障报告等功能。把电动机测控保护控制系统作为全面提高企业供电 系统的可靠性和安全性,使企业对电动机的生产运行中自动化管理水平得到提升。以LCD液晶全屏全中文显示运行过程、三相电压、三相电流、功率因数、次/总电量、频率、功率、 视在功率、故障信息、报警动作值、次/总运行时间、现场总线通信等功能,实现对电动机的远程自动控制、现场直接控制、端子控制、正反转启动控制、星三角启动控制、自藕降 压启动控制、直接旁路启动控制方式。现场总线RS5485接口支持多种通讯协议,能用于多种微机工控组态软件实现网络通讯管理,还可以通过电流变送4-20毫安信号输出的方式与DCS 系统相连接,把电动机运行参数传送输出,构成分布式综合电力监控系统,实行对电动机进行多种控制、远程测控、遥信、遥控、保护、设置。具有软件、硬件及电磁兼容自校准功能 设计,产品具有超强的抗干扰能力和精确灵敏动作的可靠性、体积小,结构紧凑,安装方便,在低压控制终端柜和1/4及以上各种抽屉柜中可直接螺丝或导轨安装使用,特别适合于科学 有效的现场工业级保护、测控单元使用。 功能总汇 保 护 功 能 | 基本功能 | 标配 | 选配 | 备 注 | 过压保护 | √ | | 报警3秒后动作 | 欠压保护 | √ | | 报警3秒后动作(“0”关闭功能) | 过流(载)保护 | √ | | 电流值、动作时间可设 | 欠流(载)保护 | √ | | 堵转保护 | √ | | 堵转倍数可设 | 断相(三相不平衡)保护 | √ | | 达到门限报警3秒后动作 | 漏电(接地)保护 | √ | | 设定漏电电流值 | 启动超时保护 | √ | | 根据设备需启动延时时间设定 | 逆序保护 | | √ | 自判断动作 | 馈线保护 | | √ | 晃电保护 | √ | | 3秒内来电自恢复 | 外部故障保护 | | √ | 自判断动作 | 来电延时保护 | √ | | 延时时间可设 | 控 制 功 能 | 直接启动 | √ | | 根据启动方式选择接线, 设置转换时间和启动方式 | 星三角启动 | √ | | 直接旁路启动 | √ | | 正反转启动 | √ | | 降压启动 | √ | | 故障复位 | 手动复位 | √ | | 可选择自动复位时间或“0”关闭为手动复位 | 自动复位 | √ | | 控制权限 | 面板控制 | √ | | 设定控制保护权限 | 远程端子控制 | √ | | 总线控制 | √ | | 测量功能 | 三相电流 | √ | | 监测模块 | 线电压 | √ | | 三相电压 | √ | | 漏电电流 | √ | | 频率 功率 | | √ | 功率因数 视在功率 | | √ | 电量 | | √ | 通讯功能 | RS485接口/ Mdobus-RTU | | √ | 协议 | 模拟量输出 | 一路DC4-20mA | | √ | 内部DC24V供电 | 开关量输入 | 6路光电隔输入,功能可编 | | √ | 控制输出 | 6路继电器输出,功能可编 | √ | | 触点容量5A | 设置提醒 | 全屏中文 | √ | | LCD显示 | 故障查询 | 查询近十次故障 | √ | | 时间查询 | 查询运行累计或本次时间 | √ | | 参数查询 | 查询运行、设置、故障信息、 电量功率、频率、视在功率 | √ | |
技术参数 本装置工作电源 | AC/DC 85~265V 50Hz | 主回路电源电压 | ≤AC1160 | 控制继电器输出 | 无源接点 5A | 安装方式 | 标准35mm导轨安装或螺丝固定 | 应用范围 | 三相供电设备 | 过电压保护 | 设定电压值 | 110~465 V可设 | 欠电压保护 | 设定电压值 | 0~380V可设 | 过载(流)保护 | 电流设定 | 规格电流内可设A | 动作时间 | 1~255S可设 | 欠载(流)保护 | 电流设定 | 规格电流内可设A | 动作时间 | 0~255S可设 | 不平衡(断相)保护 | 百分率设定 | 1~100%可设 | 漏电(接地)保护 | 漏电电流值设定 | 50~5000mA可设 | 动作可编程控制 | 堵转保护 | 倍数设定 | 1~9倍可设 | 启动超时保护 | 启动延时时间设定 | 1~255S可设 | 故障复位方式 | 手动复位设定 | 为“0” | 自动复位设定 | 0~255S可设 | 20mA对应电流 | 设置20mA对应电流值输出 | 通讯地址 | 本装置通讯地址 | 1~255号机可设 | 启动方式 | 选择启动方式 | 直接启动、星三角启动、正反启动、直接旁路启动、正反旁路启动、降压启动可设 | 继电器装换时间 | 转换时间 | 1~250S可设 | 可编程继电器方式 | 启动延时合、漏电延时合、故障跳闸合、上电延时合、报警延时合可设、功率因数过低报警合 | 编程继电器输出时间 | 输出延时时间 | 1~250S可设 | 过载控制保护 | 当电动机超负载运行时,根据电动机热容量(Q)的跟踪计算热过载电流。在热过载保护计算中充分考虑了电动机转子和定子的温升,同时考虑了三相不平衡对电动机发热的影响。当电流增大到控制保护值时,给予信号报警提示达到跳闸延时时间内动作。 | 欠载(流)保护 | 通过三相电流的三相电流的任何一项小于欠载设定值时给予报警提示达到跳闸时间内动作 | 堵转保护 | 防止电动机出现严重运转堵塞或电动机超负荷运行而电流达到设定电流倍数时,保护装置发出警报提示达到跳闸时间动作 | 三相电流不平衡保护 | 三相电流、电压根据最小相或最大线电流的比值达到或超过整定值时发出报警提示达到跳闸时间动作 | 断相保护 | 三相电流中任意一相没有电流比值大于不平衡角度值时定义为断相故障报警提示达到跳闸条件动作 | 过压保护 | 保护装置测控装置监测三相电压值,如有设备最大线电压高于设定值达到报警时间内动作 | 欠压保护 | 保护装置测控装置监测三相电压值,如有设备最小线电压低于设定值达到报警时间内动作 | 漏电(接地)保护 | 通过外接零序电流互感器测量到设备护导体(PE)或(PEN)短路漏电电流大小来判断漏电故障,当大于设定漏电值时保护装置发出报警提示达到跳闸时间内动作 | 晃电保护 | 保护装置连续监测设备供电电压,当系统电压瞬间跌落后又恢复时,电动机可以重新启动 | 启动超时保护 | 保护装置连续检测启动电流延时时间,当启动电流大于启动延时时间内未完成启动设备,三相电流还大于设定电流1.2倍时则为启动超时保护动作跳闸 | 逆序保护 | 当保护装置监测到三相电压相序不正确,停止不能启动设备 | 外部故障保护 | 当保护装置査测到外部开关量输入信号于装置预设的开关量输入状态不一致时,装置不能启动 |
电流规格 产品型号 | 对应功率范围 | 对应电流范围 | 备 注 | 30/5A | 0.55Kw-3.7Kw | 0.6A-30A | 另配变比标准BH0.66型 电流互感器三只 变比数可自由设置 | 50/5A | 3 Kw-12 Kw | 1A-50A | 100/5A | 10 Kw-30 Kw | 10A-100A | 150/5A | 20 Kw-50 Kw | 15A-150A | 200/5A | 37 Kw-90 Kw | 20A-200A | 300/5A | 75 Kw-132 Kw | 30A-300A | 400/5A | 90 Kw-200 Kw | 40A-400A | 600/5A | 110 Kw-300 Kw | 60A-600A | 800/5A | 155 Kw-400 Kw | 80A-800A | 1000/5A | 220 Kw-450 Kw | 100A-1000A | 1500/5A | 450 Kw-750 Kw | 150A-1500A |
端子定义(端子最大允许线径1.5mm) 端子编号 | 使用说明 | 1…2 | 装置工作电源AC/DC 220V输入 | 5…7 | A/B/C三相电压输入 | 4 | N中性点输入 | 37…38 | 控制继电器J1 | 35…36 | 控制继电器J2 | 33…34 | 控制继电器J3 | 31…32 | 保护输出继电器J4常闭 | 30…31 | 保护输出继电器J4常开 | 28…29 | 可编程继电器输出J5 | 23…24 | 零序电流输入 | 3 | 权限控制或外部故障 | 15…16 | 4-20毫安输出(15为- 16为+) | 8 | SDS停车输入 | 9 | DCS启动1输入 | 10 | DCS启动2输入 | 11…13 | 设备反馈 输入 | 14 | DC24V输出状态量驱动 (只限本装置使用) | 25…26 | RS485通讯接口(26为TB 25为TA) | 27 | 装置接地 | 17…22 | 三相电流输入 |
测控保护装置背面端子排列图 典型接线
参数设定 在设备运行期间显示三相电流所有保护功能有效,停车阶段显示三相电压通过设置保护参数或开、关保护功能。 
  


 安装尺寸 
正反转一直接启动控制 在正反启动方式下,通过控制继电器1使电机正转,通过控制继电器2使电机反转。当接收到停机命令或某种保护动作时,装置将发出停机命令,使控制继电器1、2打开停机。 
直接启动控制接线图 直接启动时设备基本的启动方式。当接受到来自总线或装置“I/O”的启动命令时,输出继电器触点控制1闭合,当接收到停机命令或某种保护动作时触点断开。
旁路启动控制接线图 装置操控面板及端子不工作,均通过外接启停按钮控制电机的启停。
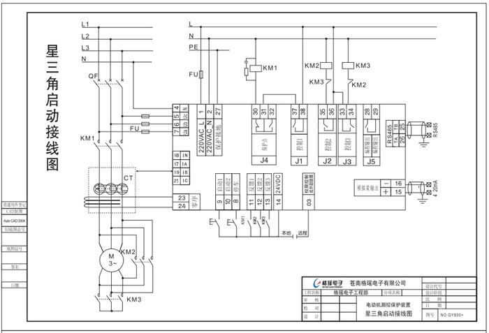
星三角启动控制接线图 当设备在启动间接成星型,启动电流只要三角型接法的1/3以下,当同时启动力矩也降至1/3以下,设备以星型降压启动在转换时间到达后,进行星三角装换,设备在三角方式运行。 在设置参数时需要遵循下面的原则:转换时间〈启动时间,即在电视机启动完成前必须完成星三角运行方式的转换。
自耦变压器降压启动控制接线图 自耦变压器降压启动是通过自耦变压器降压的设备启动方式。通过降低启动电压来达到降低启动电流的目的,同时启动力矩也会降低。 在设置参数时应遵循以下原则:转换时间〈起动时间,即在电机启动完成前必须完成运行方式的转换。
RS485通讯软件使用说明 1、 在电脑控制界面中有菜单、登录设置、监控设置、查询菜单中“开始”、“结束”、“数据库”等按钮,当要使用数据库和端口设置时要选择停止,按菜单中的“结束”按钮便可使用,如果在某台机上红色的“故障”字体出现说明该机已故障跳闸。 2、 在控制台界面中可以双击查询每一台装置进入单机控制界面。 3、 在单机控制界面中可以看到单台电动机的电源电压和A、B、C相电流、故障值、设定值、运行状态。 4、 在控制台界面上,先按“结束”按钮,再点参数管理设置进入系统参数设置,可以对电脑中串口进行设定,即选择COM1或COM2串口,其他的波特率等不要修改,可以修改最大扫描地址。 5、 在停止时可以对数据库进行控制,点菜单下的数据库进入数据库界面,可以进行数据查看和进行电机的增加和修改、删除功能。在增加和修改中可能看到有电机地址和电机名称,电机地址是电机保护装置的地址,名称则是你对这台电动机的描述有利于电动机的维护。 6、 进入通讯监控时,可以对保护装置进行查看参数:额定电流、过流动作时间、启动延时时间、三相平衡保护、堵转保护、漏电保护、欠压保护、过压保护、自启动时间。这些功能参数的过流动作时间描述详见电动机保护装置说明书。
(注:当进入系统时,输入电机所对应的地址,不足四位请前面加“0”,再点接收参数,可以查看到该电动机保护装置的参数,在按每一个显示参数的位数进行修改,点参数发送就完成了修改。) 注 意 事 项 1. 保护装置应安装在交流接触器上方为宜,各接线端子用途正确连接无误,接触良好。 2. 保护装置的工作电源应接在长期供电控制回路上,并注意标称电压与实际电压相符合。 3. 各项保护设定值应正确无误,不用的功能选项应放弃设定或设“0”关闭该功能。 4. 根据电动机的额定电流值,选择相应规格的保护装置。 5. 保护装置配用电流变比互感器时,若设备现场或控制室需要电流表显示时,最好另配一 个电流互感器,不然对配带电流表的那相电流显示会有影响。 6. 通讯协议,可以按用户要求改进。 7. 保护装置模拟量DC-20mA接口输出量应与连接设备相匹配。 8. 用户如有特殊功能要求可定做。 |